低壓電流互感器接線簡介
低壓電流互感器指的是低壓380V電壓0.5級的穿心式或穿排式的互感器,一種使用非常普遍的電流互感器,不管是配電柜中的電流測量還是供電局計量都習慣采用此類互感器。
低壓電流互感器接線其實非常簡單,初學電工電氣的朋友相信您一看就懂,首先要搞清楚的就是一次電流和二次電流的方向,一般,互感器上標有P1這端為進,另一邊為出,-這是一次線。二次線這邊是互感器上標有S1端子對應接到儀表上的I*,帶*號的端子上,比如S1接Ia*,S2接Ia,如果是三相電流表,就是第一個互感器的S1接Ia*,S2接Ia,第二個互感器的S1接Ib*,S2接Ib,以此類推就行了。
雖然在日常生活中,并不缺少電流互感器,但是很少有人對電流互感器的接線圖了解。其實如果大家對電流互感器的接線圖非常的明了了,在生活中,解決一些關于電器的事情就肯定都是一些手到擒來的小事兒了。今天小編就通過給大家簡單的介紹幾種比較常用的電流互感器的接線圖來詳細的介紹一下電流互感器。
低壓電流互感器接線如下:
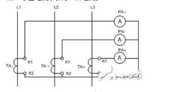
1、圖1、圖2是三個電流互感器的接線圖;
2、圖3是兩個電流互感器的接線圖。
電流互感器接線圖1
根據:Ia+Ib+Ic=0
所以:Ia+Ic=-Ib
故:綠色電流表指示B相電流。
三只電流互感器的K1分別接三只電流表的任一接線端,三只電流表的另一端連接后再與三只電流表的K2端連接,并接地或接零。
電流互感器的接線方式按其所接負載的運行要求確定。最常用的接線方式為單相,三相星形和不完全星形。
1、三相完全星形接線可以準確反映三相中每一相的真實電流。該方式應用在大電流接地系統中,保護線路的三相短路、兩相短路和單相接地短路。
2、兩相兩繼電器不完全星形接線可以準確反映兩相的真實電流。該方式應用在6~10kV中性點不接地的小電流接地系統中,保護線路的三相短路和兩相短路。

該接線方式應用在6~10kV中性點不接地的小電流接地系
3、兩相差接反映兩相差電流。統中,保護線路的三相短路、兩相短路、小容量電動機保護、小容量變壓器保護。
4、單相接線在三相電流平衡時,可以用單相電流反映三相電流值,主要用于測量回路。
5、兩相三繼電器完全星形接線,流入第三繼電器的電流是Ij=Iu+Iw=-Iv。該接線方式應用在大電流接地系統中,保護線路的三相短路和兩相短路。
電流互感器接線圖
(1)在三相三線制系統中,當各項負荷平衡時,可在一相中裝電流互感器,測里一相的電流。
(2)星形接線,可測里三相負荷電流,監視每相負荷不對稱情況。
(3)不完全星形接線,可用來測里平衡負荷或不平衡負荷的三相系統各相電流








